水泥烧成工艺系统简介
一、基本概念
1、硅酸盐水泥熟料组成:
硅酸盐水泥熟料主要由硅酸二钙( C2S)、硅酸三钙( C3S) 、铝酸三钙( C3A) 、铁铝酸四钙( C4AF)
2、回转窑内熟料形成按温度和反应可分为三个工艺带:
①过渡带(上过渡带、下过渡带)
②烧成带
③冷却带:熟料冷凝成圆形颗粒,落入冷却机中
3、煅烧过程中的物理化学变化(预热器及窑)
①自由水的蒸发
②粘土的脱水与分解
2SiO2· Al2O3 · H2O= 2SiO2· Al2O3 + H2O
2SiO2· Al2O3 = Al2O3 +SiO2
③石灰石分解(吸热反应)
MgCO3 = MgO+CO2 (600℃)
CaCO3 = CaO+CO2(900℃)
④固相反应(固体状态下进行的放热反应)
粘土及石灰石分解的氧化物进行反应,形成铝酸三钙( C3A),铁铝酸四钙( C4AF)及硅酸二钙( C2S).
⑤熟料烧成(1300℃的液相情况下进行)
C2S+ CaO = C3S
4、一次风、二次风和三次风
①一次风
一次风来源于窑头一次风机加送煤风机对煤粉起输送作用,一并给煤燃烧提供所需的氧;
②二次风
二次风先经过冷却机与熟料换热,熟料被冷却,二次风被预热入窑供燃料燃烧。
③三次风
二次风的一部分作为三次风经三次风管到分解炉供燃料燃烧。
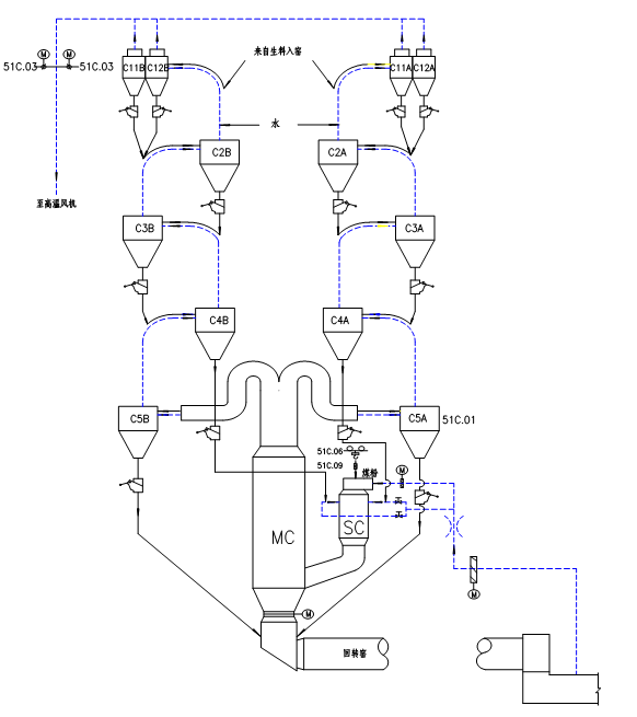
二、生料预热与分解(烧成窑尾)1、生料预热与分解工艺流程
①料流方向:生料粉经计量由提升机送入二级旋风筒气体出口管道内,在气流作用下立即分散、悬浮在气流中,进行气固换热,并随气流进入一级旋风筒。气料分离后,料粉通过重锤翻板阀进入三级旋风筒气体出口管道,并随气流进入二级旋风筒。以这样类似的方式,生料粉经过四级热交换后,得到了充分预热,随之C4物料随三次风进入SC室加热、分解,经MC、RD(上升烟道)进一步分解后的物料,随气流进入C5旋风筒,分离后喂入窑内。
②气流方向:窑气和出预燃室的气体经分解炉混合室及上升管道,沿着旋风筒及气体出口管道逐级上升,最后由一级旋风筒出风管排出;废气经过SP余热锅炉或者也可以不经过余热锅炉直接由高温风机,送往原料粉磨,煤磨和窑尾废气处理系统。


预热器工艺流程图
2、生料预热与分解设备简介
2.1旋风筒
C1及C2为内筒形式,C3、C4及C5为内筒挂板形式,定期须检查内筒的变形及开裂情形及挂板的烧损情况及挂头是否脱落。


2.2、分解炉简介(RSP炉)
①分解炉由分解炉燃烧器、涡流燃烧室即SB室、涡流分解室即SC室、混合室即MC室、加长的上升管道(RD)等构成。
②分解炉各部分的主要功能:
SB室的作用 :加速燃料的起火预燃;
SC室的作用:使燃料在三次风中能迅速燃烧;
MC室及RD的作用:保证最终完成燃料的燃烧和生料的分解。
③为保证良好的传热效果及物料滞留时间长些,须保证气流在炉内悬浮均匀及气流呈旋流或喷腾状态.
2.3、三次风管
2.3.1三次风管的作用
其作用是把窑头冷却熟料后的高温气体引入窑尾预燃室,供分解炉煤粉燃烧。
2.3.2三次风管上的文丘里管用于测定三次风量,由不同管径的差压,再根据三次风温度,得到三次风量,以此来调节三次风门的开度。
2.4、预热器主要操作参数
①一级旋风筒出口温度(300~340)℃(温度高会致使高温风机叶轮磨损及收尘器无法正常工作,一般设置有点火烟冒或者冷风阀。
②SB、SC火焰温度1100℃
③MC室出口温度880~900℃
④窑尾温度1050~1150℃
⑤C5物料温度850~860℃
⑥C5气体温度860~870℃(优先控制C5物料温度),因为考虑到入窑温度要得到保证
入窑生料表观分解率≥90%
三、烧成窑中
1、烧成窑中工艺流程
生料粉从窑尾烟室的喂料托板喂入窑筒体内。由于窑筒体的倾斜和缓慢地回转,使物料产生一个既沿着圆周方向翻滚,又沿着轴向从高端向低端移动的复合运动。生料在窑内通过分解,烧成等工艺过程,烧成水泥熟料后从窑筒体的低端卸出,进入冷却机。

四、烧成窑头
1、熟料从窑内入篦冷机急速冷却,为煤粉燃烧提供高温二次风、三次风,同时也可为煤磨提供烘干热源,余热入窑头锅炉发电。
2、煤粉燃烧器等。

关键词:回转窑燃烧器 回转窑烧嘴 低氮节能环保 分解炉用燃烧器